→ Специальные условия для спортсменов и спортивных команд. Подробнее
Ваш город
Выберите город
График работы: Пн-Чт: 12:00 - 20:00, Пт: 12:00 - 18:00
WILWOOD 170-9066 Ступица тормозного ротора, Fix. mount Standard, креп.12 x 10.75, алюминий,черный
Другие цвета и аналоги:
Характеристики
Цвет товара основной:
ЧЕРНЫЙ
ЧЕРНЫЙ
Производитель товара:
WILWOOD
WILWOOD
Артикул:
170-9066
170-9066
Актуальность:
АКТУАЛЬНО
АКТУАЛЬНО
Описание
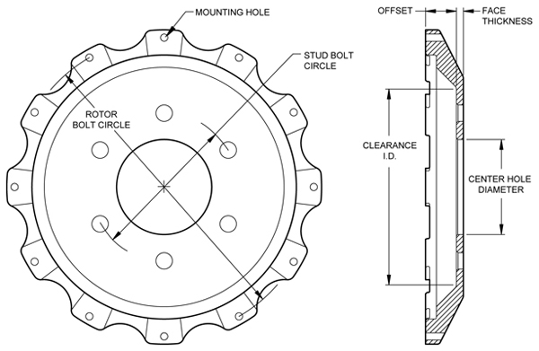
Разболтовка 6 * 135,1 mm
Вылет относительно ротора 28,19 mm
Посадочное отверстие 86,86 mm
https://www.wilwood.com/Hats/HatProd?itemno=170-9066
Ford F150
Вылет относительно ротора 28,19 mm
Посадочное отверстие 86,86 mm
https://www.wilwood.com/Hats/HatProd?itemno=170-9066
Ford F150
Ранее вы смотрели

Артикул: 170-9066
Под заказ
48 640 ₽

Артикул: 170-15803
Под заказ
39 250 ₽

Артикул: 170-8878
Под заказ
48 640 ₽

Артикул: 171-11859
Под заказ
48 640 ₽

Артикул: 170-8960
Под заказ
48 640 ₽
8(812) 309-93-57
График работы:
Пн-Пт: 12:00 - 20:00
Пн-Пт: 12:00 - 20:00
Санкт-Петербург, пр. Александровской Фермы, дом 29 лит. ВГ, офис 229, бизнес центр Эврика (Обухово)
Присоеденяйтесь:
Принимаем к оплате:

































